云阳县2025年11月城市供水水质抽样监测公示
现将2025年11月肖家湾水厂、四方井水厂、二次供水、直饮水水质抽样监测结果公布如下:
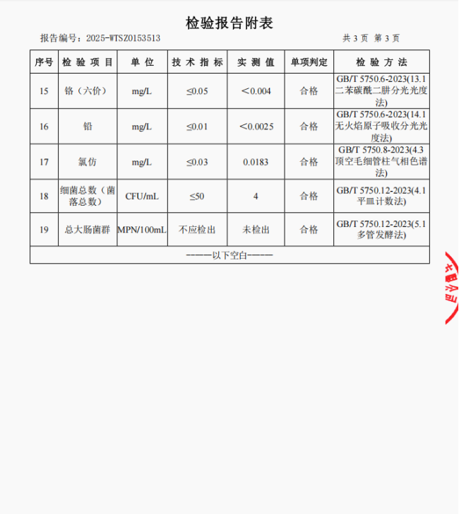
1、肖家湾水厂出厂水常规指标








2、肖家湾水厂管网水(云阳县第二初级中学)常规指标
肖家湾水厂管网水(云阳县双江街道望江大道1295号)常规指标
肖家湾水厂管网水(云阳县桂湾卫生院)常规指标
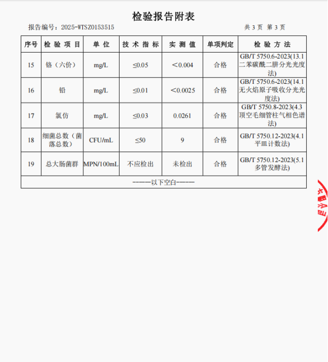
3、四方井水厂出厂水常规指标








4、四方井水厂管网水(云阳县双江街道办事处)常规指标
四方井水厂管网水(稻场安置房三期)常规指标
四方井水厂管网水(云阳县市场监督管理局)常规指标
5、二次供水常规指标
晶岛郦舍二次供水
金科天宸1期二次供水
金科天宸2期二次供水
御江山2期二次供水
世纪星辰二次供水
世纪星辉二次供水
金科四季阳光二次供水
金科梁江山印二次供水
云阳中医院二次供水
绿森名都二次供水
6、直饮水水质抽样常规指标
两江广场两江广汇处直饮水

两江广场内直饮水

两江广场屏幕旁直饮水

两江广场爱里养老院对面直饮水

儿童公园厕所旁直饮水

国务院部门网站
地方政府网站
市政府部门网站
区(县)政府网站
其他网站
主办:云阳县人民政府办公室 版权所有:云阳县人民政府
网站标识码:5002350018 网站维护联系电话:023-55128091
重庆云阳微发布
新浪官方微博